ویژگیها:
با عملکرد فلاشر، تایمر تاخیر در قطع/وصل یا چپگرد-راستگرد و زمان صدم ثانیه تا ساعت با تغذیه 220 ولت
موجود
موجود
مولتی تایمر دیجیتال شیوا امواج تایمری با دقت و کارایی بسیار بالا و قابلاستفاده از ۰٫۱ ثانیه تا ۹۹۹ ساعت میباشد. این تایمر میتواند در 5حالت صدم ثانیه، دهم ثانیه، ثانیه، دقیقه و ساعت بهصورت فلاشر (ترکیبی و ساده) یا تایمر تاخیر در قطع/وصل یا چپگرد-راستگرد کار کند . تغذیه این تایمر 220 ولت است که به ترمینالهای PH و N اعمال میشود. برای شروع زمانگیری لازمست تا ولتاژ فاز به ترمینال START متصل شود. این دستگاه با دو رله مجزا قابلیت کاربریهای زیر را دارد:
ویژگیهای مولتی تایمر دیجیتال شیوا امواج
مشخصات فنی
دانلود راهنمای نصب مولتی تایمر دیجیتال شیوا امواج
توجه: یکی از مهمترین ویژگیهای این تایمر، امکان تنظیم زمانسنجی آن بصورت ترکیبی در حالت فلاشر است. مثلا اگر نیاز داریم که خروجی 3 ثانیه روشن باشد، مدت زمان خاموشبودن، هر بازه زمانی (ثانیه، دقیقه یا ساعت) میتواند باشد.
توجه: دقت داشتهباشید که رله خروجی این تایمر مانند دیگر محصولات شیوا امواج، تنها مناسب مدار فرمان بوده و در خروجی قبل از اتصال به بار حتما از رله خارجی یا کنتاکتور مناسب استفاده کنید.

| وزن | 135 گرم |
|---|---|
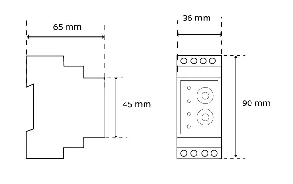
| ابعاد | 3.6 × 6.5 × 9 سانتیمتر |
| سازنده(برند) | شیوا امواج (ایران) |
| دستهبندی و نوع کالا | تایمر دیجیتال |
| عملکرد | تایمر تاخیر در قطع, تایمر تاخیر در وصل, تایمر چپگرد راستگرد, فلاشر |
| تعداد/نوع ورودی | یک ورودی شاسی استارت, یک ورودی ولتاژ تکفاز |
| تعداد/نوع خروجی | |
| امکانات کنترلی/تنظیمی | تنظیم زمان تاخیر در قطع, تنظیم زمان تاخیر در وصل |
| امکانات و تجهیزات جانبی | دارای نشانگر وضعیت, امکان پلمپ پانل, دارای منو و امکان تنظیم دیجیتالی, نمایشگر دیجیتالی پارامترها |
| درجه حفاظت(IP) | IP30 |
| نوع نصب(کاربری) | درب تابلو, ریل 35 میلیمتری |
| گارانتی | 3سال بیقید و شرط |
| ولتاژ ورودی/تحریک | تغذیه 180 تا 250 ولت AC |
درمورد این محصول دیدگاه درج کنید.

مولتی تایمر دیجیتال 14JN12 شیوا امواج مدل MYJN-15M

یعنی کالا در انبار ما موجودست ولی اگر درخواست شما بیش از موجودی انبار ما باشد، تعداد کسری در "سبد خرید" زیر نام کالا قید میشود، در غیر اینصورت عبارت "آماده ارسال" (به معنی کافی بودن موجودی انبار ما) نمایش داده خواهد شد. اگر "تعداد" روی عددی ثابت شد یعنی امکان سفارش بیش از این مقدار مقدور نیست!
یعنی کالا در انبار ما موجود نیست و حداکثر 48 ساعت کاری برای انتقال از انبار شرکت مادر به انبار کوشانیک زمان نیاز دارد.(کاری یعنی روزهای شنبه تا 4شنبه)
بسته به حجم سفارش و آدرس شما، روشهای ارسال مجاز که پست، پیک، تیپاکس، چاپار، باربری، باربری ترمینال و دریافت حضوری است را میتوانید در زمان ثبت نهایی، انتخاب کنید.
هنوز بررسیای ثبت نشده است.